language-flag-1
language-flag-2
165-belgium
language-flag-4
language-flag-3
10 von 7 bewertungen
info@technigro.nl(0345) 58 22 88Contact Link Side
  • Produktauswahl
  • Projekte
  • Methode
  • Kontakt
Zitat
language-flag-1
language-flag-2
165-belgium
language-flag-4
language-flag-3
ProduktauswahlProjekteMethodeKontakt
Du bist hier:
  • Home
  • Tülle A Typ 3
  • Tülle A Typ 3

    ← Zurück zur Übersicht
    doorvoertulen-a-type-31
    • Beschreibung
    • Zeichnungen
    • Artikel
    Zitat
    Zitat
    Beschreibung

    Tülle A Typ 3

    Tülle A Typ 3

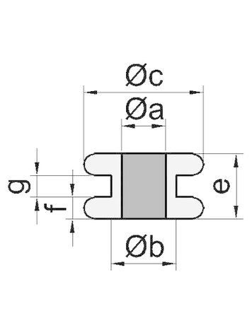
    Zeichnungen

    Zeichnungen

    tekening-doorvoertulen-a-type-3
    Artikel

    Artikel

     

    Code

    Product

    A

    B

    C

    D

    E

    F

    G

     

    RV16

    ?sen

    10

    16

    22,5

    8

    3,5

    1,5

    -

    Offerte

     

    RV361

    ?sen

    12

    21

    27

    9

    3,5

    2

    -

    Offerte

     

    RV2568

    ?sen

    17

    40

    50

    31,5

    7

    17,5

    -

    Offerte

     

    RV394

    ?sen

    4

    7,5

    11

    6

    1,5

    3

    -

    Offerte

     

    RV1634

    ?sen

    5

    15

    19

    10

    3

    4

    -

    Offerte

     

    RV359

    ?sen

    8

    11

    15

    8

    2

    3

    -

    Offerte
    ← Zurück zur Übersicht

    Produktauswahl

    entscheide dich:

    • Faltenbalg
    • Teleskop abdeckungen
    • Maschinenschutz REPAR2
    • Späneförderer
    • Schallschutzkabinen
    • Bettgitterkratzer
    • Blinden tulen
    • Bundelbandjes
    • Caps
    • Füsse nivellieren
    • Griffe
    • Gummikappen und füße
    • Gummimatten und rollen
    • Hochdruck edelstahl kühlmittelschläuche
    • Industrielle-filteranlagen
    • Kabel schuhe
    • Kältemittelpumpen
    • Klebebandabdeckungen
    • Kundenspezifische produkte
    • Maschinenbeleuchtung
    • Maschinenverglasung
    • O- ringe
    • Osen
    • Profile
    • Puffer
    • Schienendämpfer
    • Schlangen
    • Schutzpulen federspulen
    • Shwingungsdämpfer
    • Sicherheitswände
    • Slangenklemmen
    • Stoppen Konisch
    • Wärmeschrumpfung
    • Zellkautschuke

    Spezifische Wünsche?

    Wir bieten auch Anpassungen. Von der Messung bis zur Realisierung. Bitte kontaktieren Sie uns.

    Call to ActionCall to Action
    10 von 7 bewertungen
    • Hoher Servicegrad
    • Digitales Messen vor Ort
    • Standortbesuch
    • Stark in Ratschlägen
    • Mit dem Kunden mitdenken
    • Kundenspezifische Produktentwicklung
    info@technigro.nl(0345) 58 22 88Contact

    Sitemap

    • Produktauswahl
    • Projekte
    • Methode
    • Kontakt

    Produktauswahl

    • Faltenbalg
    • Teleskop abdeckungen
    • Maschinenschutz REPAR2
    • Späneförderer
    • Schallschutzkabinen
    • Bettgitterkratzer
    • Blinden tulen
    • Bundelbandjes
    • Caps
    • Füsse nivellieren
    • Griffe
    • Gummikappen und füße
    • Gummimatten und rollen
    • Hochdruck edelstahl kühlmittelschläuche
    • Industrielle-filteranlagen
    • Kabel schuhe
    • Kältemittelpumpen
    • Klebebandabdeckungen
    • Kundenspezifische produkte
    • Maschinenbeleuchtung
    • Maschinenverglasung
    • O- ringe
    • Osen
    • Profile
    • Puffer
    • Schienendämpfer
    • Schlangen
    • Schutzpulen federspulen
    • Shwingungsdämpfer
    • Sicherheitswände
    • Slangenklemmen
    • Stoppen Konisch
    • Wärmeschrumpfung
    • Zellkautschuke

    Kontaktdetails

    • Poppenbouwing 26B
    • 4191 NZ Geldermalsen
    • (0345) 58 22 88
    • info@technigro.nl
    Small logo
    • © 2026
    • TECHNIGRO
    • Datenschutzerklärung
    • Geschäftsbedingungen
    • Haftungsausschluss
    • Website: Van Suilichem Communicatie BV